Your Cart
Loading
Only -1 left

Mitsubishi Lancer Evolution IV (Evo 4) CN9A Factory Repair Manual (1996–1998) – Complete Workshop Service Guide PDF

On Sale
Sale ends in 8 days
€2.99 (15% off)
€2.54
Added to cart

Mitsubishi Lancer Evolution 4 CN9A Repair Manual – Model Years 1996 to 1998 (PDF Download)

This Mitsubishi Lancer Evolution IV (Evo 4) Factory Repair Manual is a comprehensive workshop service and repair guide covering CN9A chassis models produced from 1996 to 1998. Sourced from OEM Mitsubishi technical documentation, this manual is an indispensable reference for performance workshops, rally builders, restoration specialists, and Mitsubishi Evolution enthusiasts who require precise, factory-correct repair and maintenance procedures.

From routine servicing and diagnostics to turbocharged engine repairs and advanced AWD drivetrain servicing, this Evo 4 workshop manual PDF delivers the step-by-step instructions, detailed diagrams, and technical specifications needed to maintain and restore the iconic Lancer Evolution IV.


🚗 Vehicle Coverage

  • Mitsubishi Lancer Evolution IV (Evo 4)
  • Chassis Code: CN9A
  • Model Years: 1996–1997–1998
  • Covers all variants including GSR and RS
  • Includes 4G63 turbocharged engine and AWD systems

🔧 Manual Contents & Coverage

This complete factory-style workshop manual includes in-depth coverage of:

Engine & Turbo Systems

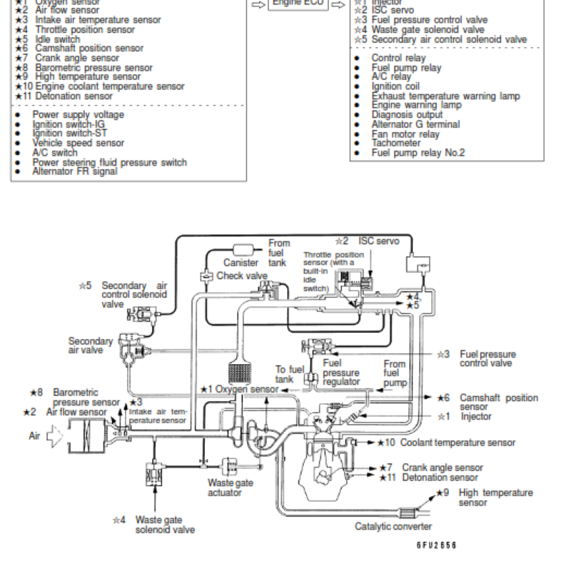
  • 4G63 turbo engine diagnostics, servicing, and overhaul
  • Turbocharger, intercooler, and boost control systems
  • Timing system, valve clearances, and factory torque specifications

Fuel, Ignition & Engine Management

  • High-performance fuel injection systems
  • Ignition timing and ECU control
  • Emissions systems and sensor diagnostics

Transmission & AWD Drivetrain

  • Manual transmission servicing and overhaul
  • Clutch systems, transfer case, and differentials
  • AWD system operation and diagnostics

Suspension, Steering & Brakes

  • Performance suspension components
  • Power steering system
  • Brembo braking system, ABS, and hydraulic diagnostics

Electrical & Electronic Systems

  • Complete wiring diagrams and ECU pin-outs
  • Starting, charging, and lighting systems
  • Fault code diagnosis and electrical troubleshooting

Body, Interior & Chassis

  • Body panels and chassis structure
  • Interior trim, dashboard, and instrumentation
  • Safety systems including airbags

Maintenance & Technical Data

  • Factory maintenance schedules
  • Fluid capacities and service intervals
  • Troubleshooting charts and technical specifications

📄 Manual Features

✔ Genuine OEM Mitsubishi workshop documentation

✔ Clear, step-by-step factory repair procedures

✔ High-quality diagrams and wiring schematics

✔ Factory torque values and technical specifications

✔ Fully searchable and printable PDF format

✔ Compatible with Windows, macOS, tablets, and smartphones


🎯 Ideal For

  • Mitsubishi Lancer Evolution IV owners
  • Performance and motorsport workshops
  • Rally car builders and tuners
  • Professional automotive technicians
  • Advanced DIY and restoration enthusiasts

💾 Instant Digital Download

  • Format: PDF
  • Delivery: Instant access after purchase
  • Language: English

No waiting—download your Mitsubishi Lancer Evolution IV CN9A repair manual PDF instantly and preserve the performance and value of your Evo.


🔑 Why Buy This Repair Manual?

  • Essential for maintaining classic turbo AWD performance
  • Save significantly on specialist repair costs
  • Perform accurate, factory-correct repairs and restorations
  • Rare and professional-grade Mitsubishi Evolution documentation

⚠️ Important Notice

This product is a digital PDF repair manual only. No physical book will be shipped. Content is provided for informational and educational purposes.

You will get a TXT (283B) file