Your Cart
Loading
Only -1 left

Suzuki Jimny Repair Manual PDF (1998–2018) – Factory Service, Workshop, Wiring & Diagnostics Guide

On Sale
Sale ends in 8 days
€2.99 (15% off)
€2.54
Added to cart

Suzuki Jimny Repair Manual PDF (1998–2018)

Take complete control of your Suzuki Jimny maintenance and repairs with this comprehensive Factory Service & Repair Manual, covering model years 1998 through 2018, delivered as an instant-download PDF.

This is the official dealership-level workshop manual, the same resource used by professional Suzuki technicians worldwide. It contains step-by-step repair procedures, detailed wiring diagrams, factory specifications, and troubleshooting guides, making it ideal for DIY enthusiasts, off-road adventurers, and professional workshops.


🔧 What This Suzuki Jimny Repair Manual Covers

This complete manual provides in-depth instructions, diagrams, and technical data for all Suzuki Jimny models from 1998–2018:

✔ General Information

  • Vehicle identification & technical specifications
  • Scheduled maintenance & service intervals
  • Safety precautions & workshop procedures

✔ Engine & Powertrain

  • Engine repair & overhaul (petrol & diesel variants)
  • Fuel injection & emission systems
  • Cooling & lubrication systems
  • Manual transmission & transfer case service
  • 4WD drivetrain, differentials & driveshaft maintenance

✔ Electrical & Electronics

  • Complete factory wiring diagrams
  • ECU, sensors & diagnostic procedures
  • Starting & charging systems
  • Lighting, instrumentation & accessory electronics

✔ Suspension, Steering & Brakes

  • Front & rear suspension systems
  • Steering system service & wheel alignment
  • Brake systems (ABS, hydraulic, parking brake)
  • Wheels, tires & hubs

✔ Body, Interior & Climate Control

  • Body panels, doors, windows & trim removal
  • Interior components & seating
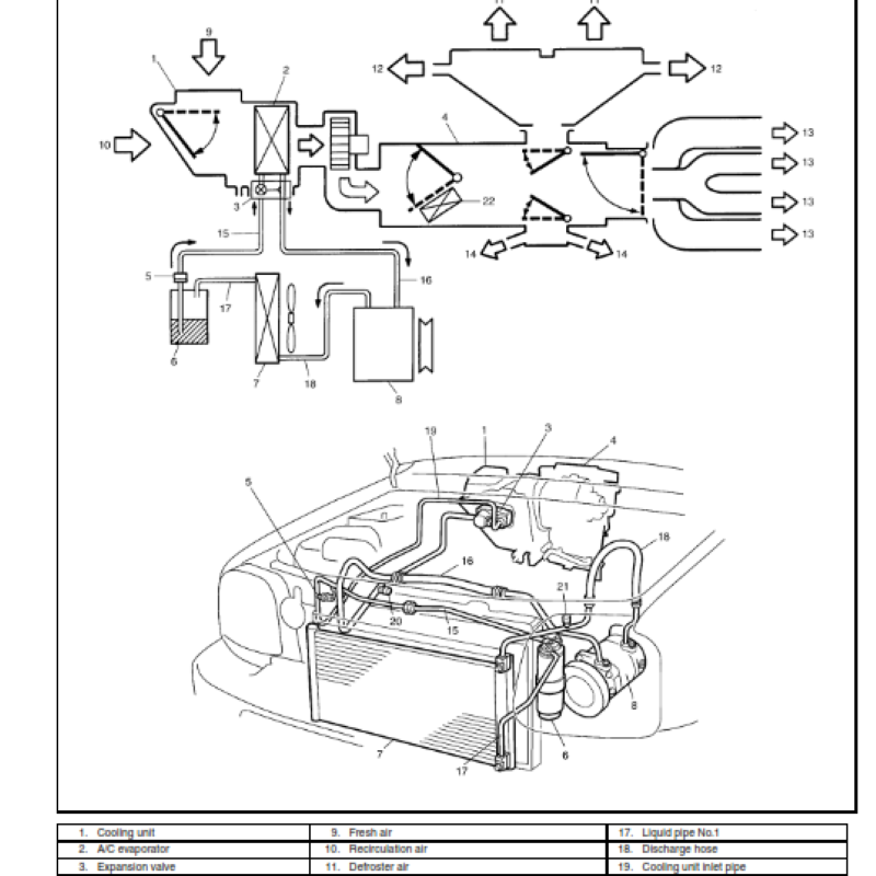
  • Heating, ventilation & air conditioning (HVAC)
  • Dashboard, instrumentation & controls

✔ Diagnostics & Troubleshooting

  • Fault code reading & interpretation
  • Step-by-step diagnostic procedures
  • Torque specifications & factory service limits

📘 Why This Manual Is Essential

✔ Save hundreds or thousands on dealership repairs

✔ Perform DIY repairs using factory-approved procedures

✔ Ideal for Jimny owners, off-road enthusiasts & professional mechanics

✔ Fully searchable PDF for instant access to any procedure

✔ Lifetime access – no subscriptions or renewals

This manual ensures every repair, service, or diagnostic task is completed accurately, safely, and efficiently, keeping your Suzuki Jimny dependable for on-road and off-road adventures.


📂 Product Details

  • Format: PDF (Digital Download)
  • Model: Suzuki Jimny
  • Years Covered: 1998–2018
  • Language: English
  • Compatibility: Windows, Mac, iOS, Android, Tablets
  • Delivery: Instant download after purchase

🚙 Perfect For

  • Suzuki Jimny owners
  • Off-road & 4x4 enthusiasts
  • DIY mechanics & automotive enthusiasts
  • Professional automotive workshops
  • Classic Jimny restorers

⚠ Important Notice

This is a digital PDF repair manual, not a printed book. You will receive instant download access immediately after checkout.


👉 Download the Suzuki Jimny Repair Manual PDF (1998–2018) Today

Get factory-level repair knowledge and keep your Suzuki Jimny performing reliably on every adventure.

You will get a TXT (262B) file