Your Cart
Loading
Only -1 left

Suzuki Grand Vitara FT / GT Repair Manual PDF (1998–2005) – Factory Service, Workshop, Wiring & Diagnostics Guide

On Sale
Sale ends in 8 days
€2.99 (15% off)
€2.54
Added to cart

Suzuki Grand Vitara FT / GT Repair Manual PDF (1998–2005)

Maintain, service, and repair your Suzuki Grand Vitara FT / GT with confidence using this complete Factory Service & Repair Manual, covering model years 1998 through 2005, delivered as an instant-download PDF.

This is the official dealership-level workshop manual, the same professional resource used by Suzuki technicians worldwide. It contains step-by-step repair instructions, detailed wiring diagrams, factory specifications, and troubleshooting guides, making it essential for DIY owners, off-road enthusiasts, and professional workshops.


🔧 What This Suzuki Grand Vitara FT / GT Repair Manual Covers

This comprehensive manual provides in-depth procedures, diagrams, and technical specifications for all Grand Vitara FT / GT models:

✔ General Information

  • Vehicle identification & technical specifications
  • Scheduled maintenance & service intervals
  • Safety precautions & workshop procedures

✔ Engine & Powertrain

  • Engine mechanical repair & overhaul (petrol & diesel)
  • Fuel injection & emission control systems
  • Cooling & lubrication systems
  • Manual & automatic transmission service
  • 4WD drivetrain, transfer case & differentials

✔ Electrical & Electronics

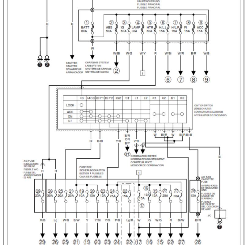
  • Complete factory wiring diagrams
  • ECU, sensors & onboard diagnostics
  • Starting & charging systems
  • Lighting, instrumentation & accessory electronics

✔ Suspension, Steering & Brakes

  • Front & rear suspension systems
  • Steering system service & wheel alignment
  • Brake systems (ABS, hydraulic, parking brake)
  • Wheels, tires & hubs

✔ Body, Interior & Climate Control

  • Body panels, doors, windows & trim removal
  • Interior components & seating
  • Heating, ventilation & air conditioning (HVAC)
  • Dashboard, instrumentation & controls

✔ Diagnostics & Troubleshooting

  • Fault code reading & interpretation
  • Step-by-step diagnostic procedures
  • Torque specifications & factory service limits

📘 Why This Manual Is Essential

✔ Save hundreds or thousands on dealership repairs

✔ Perform DIY repairs using factory-approved procedures

✔ Ideal for home mechanics, off-road enthusiasts & professionals

✔ Fully searchable PDF for instant access to any procedure

✔ Lifetime access – no subscriptions or renewal fees

This manual ensures every repair, service, or diagnostic task is completed accurately, safely, and efficiently, keeping your Suzuki Grand Vitara FT / GT reliable for both everyday driving and off-road adventures.


📂 Product Details

  • Format: PDF (Digital Download)
  • Model: Suzuki Grand Vitara FT / GT
  • Years Covered: 1998, 1999, 2000, 2001, 2002, 2003, 2004, 2005
  • Language: English
  • Compatibility: Windows, Mac, iOS, Android, Tablets
  • Delivery: Instant download after purchase

🚙 Perfect For

  • Suzuki Grand Vitara FT / GT owners
  • Off-road enthusiasts & 4x4 drivers
  • DIY mechanics & automotive hobbyists
  • Professional workshops & fleet operators
  • Classic Suzuki 4x4 restorers & technicians

⚠ Important Notice

This is a digital PDF repair manual, not a printed book. You will receive instant download access immediately after checkout.


👉 Download the Suzuki Grand Vitara FT / GT Repair Manual PDF (1998–2005) Today

Get factory-level repair knowledge and keep your Suzuki Grand Vitara performing at its best on-road and off-road.

You will get a TXT (275B) file