Your Cart
Loading
Only -1 left

Nissan Navara D22 / Frontier Factory Repair Manual (1997–2004) – Complete Workshop Service & Maintenance Guide PDF

On Sale
Sale ends in 8 days
€2.99 (15% off)
€2.54
Added to cart

Nissan Navara D22 / Frontier Repair Manual – Model Years 1997 to 2004 (PDF Download)

This Nissan Navara D22 (Frontier) Factory Repair Manual is a comprehensive, professional-grade workshop service and repair guide covering all D22-series Nissan Navara / Frontier models produced between 1997 and 2004. Compiled from genuine Nissan OEM technical documentation, this manual is an essential resource for professional mechanics, fleet operators, 4WD specialists, restoration experts, and DIY enthusiasts who require accurate, manufacturer-approved repair and maintenance procedures.

Whether you are performing routine maintenance, servicing engines, repairing transmissions, restoring suspension and braking systems, or troubleshooting electrical and electronic systems, this Nissan Navara D22 service manual PDF provides step-by-step instructions, detailed diagrams, wiring schematics, and official Nissan specifications trusted by workshops worldwide.


🚚 Vehicle Coverage

  • Nissan Navara D22 / Frontier
  • Model years: 1997–1998–1999–2000–2001–2002–2003–2004
  • Single cab, king cab, and double cab body styles
  • Manual and automatic transmissions
  • Rear-wheel drive (RWD) and four-wheel drive (4WD) configurations

Engine coverage includes (market dependent):

  • 2.4L petrol
  • 2.5L petrol
  • 2.5L diesel
  • 3.0L diesel
  • 3.3L petrol

🔧 Manual Contents & Coverage

This complete factory-style workshop manual includes in-depth coverage of:

Engine & Mechanical Systems

  • Engine diagnostics, servicing, and overhaul procedures
  • Petrol and turbo diesel engine repair
  • Cooling, lubrication, intake, and exhaust systems
  • Timing systems and factory torque specifications

Fuel, Ignition & Emissions

  • Petrol and diesel fuel injection systems
  • Ignition system repair and troubleshooting
  • Emissions control systems and sensor diagnostics

Transmission, Transfer & Drivetrain

  • Manual and automatic transmission servicing
  • Transfer case, 4WD system, and differential repair
  • Driveshafts, axles, and clutch servicing

Suspension, Steering & Brakes

  • Front and rear suspension systems
  • Steering gear and power steering servicing
  • Brake systems, ABS, and hydraulic repair

Electrical & Electronic Systems

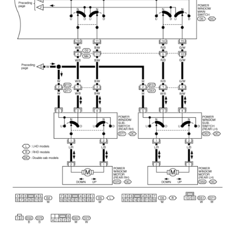
  • Complete factory wiring diagrams
  • ECU diagnostics and fault code interpretation
  • Lighting, starting, charging, and body electronics

Body, Interior & Comfort Systems

  • Body panels, doors, windows, and trim
  • Interior electronics, dashboard, and instrumentation
  • Heating, ventilation, and air conditioning (HVAC) systems

Maintenance & Technical Data

  • Factory service schedules
  • Fluid capacities and recommended service intervals
  • Troubleshooting charts and technical specifications

📄 Manual Features

✔ Genuine Nissan OEM factory service documentation

✔ Step-by-step repair instructions for all systems

✔ Detailed wiring diagrams and illustrations

✔ Factory torque settings and adjustment values

✔ Fully searchable and printable PDF format

✔ Compatible with Windows, macOS, tablets, and smartphones


🎯 Ideal For

  • Nissan Navara D22 / Frontier owners
  • 4WD and off-road enthusiasts
  • Professional automotive repair shops
  • Fleet operators and rural service technicians
  • DIY mechanics

💾 Instant Digital Download

  • Format: PDF
  • Delivery: Instant access after purchase
  • Language: English

Download your Nissan Navara D22 / Frontier 1997–2004 repair manual PDF today and maintain your vehicle with genuine factory-level precision, whether on-road or off-road.


🔑 Why Buy This Repair Manual?

  • Save on dealership and specialist labor costs
  • Perform accurate, manufacturer-approved repairs
  • Essential for diesel, petrol, and 4WD drivetrain servicing
  • Professional-grade Nissan Navara D22 workshop documentation

⚠️ Important Notice

This product is a digital PDF repair manual only. No physical manual will be shipped. Content is for informational and educational purposes only.

You will get a TXT (275B) file