Your Cart
Loading
Only -1 left

Mitsubishi Lancer Evolution VIII (Evo 8) CT9A Factory Repair Manual (2003–2005) – Complete Workshop Service Guide PDF

On Sale
Sale ends in 8 days
€2.99 (15% off)
€2.54
Added to cart

Mitsubishi Lancer Evolution 8 CT9A Repair Manual – Model Years 2003 to 2005 (PDF Download)

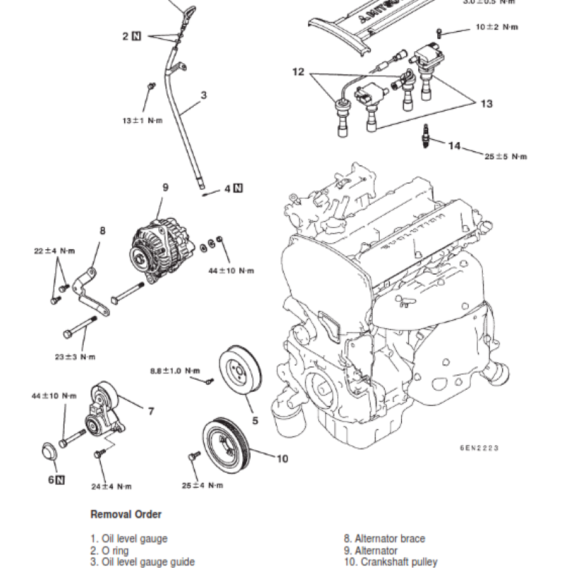
This Mitsubishi Lancer Evolution VIII (Evo 8) Factory Repair Manual is a comprehensive workshop service and repair guide covering CT9A chassis models produced from 2003 to 2005. Developed from OEM Mitsubishi technical documentation, this manual is an essential resource for performance specialists, rally teams, professional mechanics, and Evo enthusiasts who require precise, factory-correct repair and maintenance procedures.

From routine servicing and diagnostics to turbocharged engine repairs and advanced AWD drivetrain servicing, this Evo 8 workshop manual PDF delivers the detailed instructions, specifications, and wiring diagrams required to maintain the legendary performance and reliability of the Lancer Evolution VIII.


🚗 Vehicle Coverage

  • Mitsubishi Lancer Evolution VIII (Evo 8)
  • Chassis Code: CT9A
  • Model Years: 2003–2004–2005
  • Covers all trims and performance variants
  • Includes 4G63 turbocharged engine and AWD systems

🔧 Manual Contents & Coverage

This complete factory-style workshop manual includes in-depth coverage of:

Engine & Turbo Systems

  • 4G63 turbo engine diagnostics, servicing, and overhaul
  • Turbocharger, intercooler, and boost control systems
  • Timing, valve clearances, and factory torque specs

Fuel, Ignition & Engine Management

  • High-performance fuel injection systems
  • Ignition timing and ECU operation
  • Emissions, sensors, and diagnostic procedures

Transmission & AWD Drivetrain

  • Manual transmission servicing
  • Clutch, transfer case, and differentials
  • Active Center Differential (ACD) and AWD system diagnostics

Suspension, Steering & Brakes

  • Performance suspension setup and servicing
  • Power steering system
  • Brembo braking system, ABS, and stability controls

Electrical & Electronic Systems

  • Complete wiring diagrams and pin-outs
  • ECU, sensors, and fault code diagnostics
  • Charging, starting, and lighting systems

Body, Interior & Chassis

  • Body panels and structural components
  • Interior trim and instrumentation
  • Safety systems and airbags

Maintenance & Technical Data

  • Factory service intervals and maintenance schedules
  • Fluid capacities and specifications
  • Troubleshooting charts and performance data

📄 Manual Features

✔ Genuine OEM Mitsubishi workshop documentation

✔ Detailed step-by-step repair procedures

✔ High-quality diagrams and wiring schematics

✔ Factory torque values and specifications

✔ Fully searchable and printable PDF format

✔ Compatible with Windows, macOS, tablets, and smartphones


🎯 Ideal For

  • Mitsubishi Lancer Evolution 8 owners
  • Performance tuning and motorsport workshops
  • Rally and track car builders
  • Professional automotive technicians
  • Advanced DIY mechanics

💾 Instant Digital Download

  • Format: PDF
  • Delivery: Instant access after purchase
  • Language: English

No waiting—download your Mitsubishi Lancer Evolution VIII CT9A repair manual PDF instantly and maintain peak performance on road or track.


🔑 Why Buy This Repair Manual?

  • Essential for maintaining turbocharged AWD performance
  • Save thousands on dealership and specialist labor
  • Perform factory-correct repairs and diagnostics
  • Rare and professional-grade Mitsubishi Evo documentation

⚠️ Important Notice

This product is a digital PDF repair manual only. No physical book will be shipped. Content is provided for informational and educational purposes.

You will get a TXT (283B) file