Your Cart
Loading
Only -1 left

Mazda CX-9 / CX9 TB (2006–2015) Repair & Service Manual PDF

On Sale
Sale ends in 8 days
€2.99 (15% off)
€2.54
Added to cart

The Mazda CX-9 / CX9 TB Repair Manual (2006–2015) is a complete factory-style workshop manual covering the first-generation Mazda CX-9 (TB) large SUV. This professional manual is perfect for mechanics, Mazda specialists, fleet operators, and DIY enthusiasts who require accurate, manufacturer-approved repair and maintenance information.

Delivered as a high-quality PDF digital download, this manual includes detailed step-by-step procedures, technical illustrations, wiring diagrams, and official Mazda specifications to help you correctly diagnose, service, and repair your CX-9 TB.


What This Repair Manual Covers

✔ Engine diagnostics, servicing, and overhaul (3.5L V6 petrol)

✔ Fuel injection, intake, exhaust, and cooling systems

✔ Automatic transmission and drivetrain servicing

✔ Drivetrain, differential, and driveshaft maintenance

✔ Suspension, steering, and braking systems

✔ ABS and traction control diagnostics

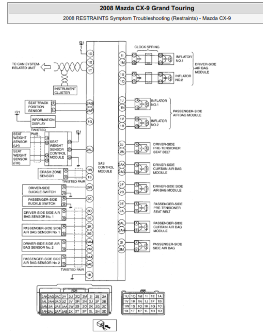
✔ Electrical diagnostics with complete wiring diagrams

✔ Body electronics, climate control, and interior systems

✔ Chassis, body, and exterior components

✔ Torque specifications and factory technical data

✔ Scheduled maintenance and service intervals

✔ Advanced troubleshooting and fault-finding procedures

This manual follows OEM Mazda workshop standards, making it essential for routine maintenance, full repairs, and long-term SUV ownership.


Vehicle Compatibility

  • Mazda CX-9 / CX9
  • Chassis Code: TB
  • Model Years: 2006, 2007, 2008, 2009, 2010, 2011, 2012, 2013, 2014, 2015

Why This Manual Is Essential

🔧 Save thousands on dealership and specialist repair costs

🔧 Factory-accurate repair and maintenance procedures

🔧 Ideal for family SUV maintenance and long-term ownership

🔧 Trusted by professional Mazda technicians

🔧 Instant digital access — no shipping delays

Whether maintaining a daily family SUV, performing major engine or drivetrain repairs, or restoring a CX-9 TB, this manual provides the technical guidance needed to do the job right.


Digital Download Details

  • Format: PDF
  • Delivery: Instant download after purchase
  • Compatibility: Windows, macOS, tablet, smartphone
  • Printable: Yes

Who This Manual Is For

✔ Professional mechanics and Mazda specialists

✔ Mazda CX-9 TB owners

✔ DIY repair enthusiasts

✔ Fleet and family SUV maintenance specialists


Important Notes

  • This is a digital PDF repair manual, not a printed book
  • Written specifically for Mazda CX-9 / CX9 TB models (2006–2015)
  • Please verify your vehicle year and engine before purchasing

📥 Download the Mazda CX-9 / CX9 TB 2006–2015 Repair Manual today and service your SUV with factory-level accuracy.

You will get a TXT (280B) file